本系列液压缸外形及安装尺寸除轴向底座安装型式均符合ISO6020国际标准。
规格/技术参数
缸径
D
mm
|
速比
中
|
杆径
d
mm
|
16MPa
|
油口
通径
mm
|
油口
螺纹
|
|
推力KN
|
拉力KN
|
|
40
|
1.46
|
22
|
20.11
|
14.05
|
10
|
M18×1.5
|
|
40
|
2
|
28
|
20.11
|
10.25
|
10
|
M18×1.5
|
|
50
|
1.46
|
28
|
31.42
|
21.56
|
10
|
M18×1.5
|
|
50
|
2
|
35
|
31.42
|
15.13
|
10
|
M18×1.5
|
|
63
|
1.4
|
35
|
49.88
|
33.59
|
15
|
M27×2
|
|
63
|
2
|
45
|
49.88
|
24.43
|
15
|
M27×2
|
|
80
|
1.46
|
45
|
80.42
|
54.98
|
15
|
M27×2
|
|
80
|
2
|
55
|
80.42
|
41.02
|
15
|
M27×2
|
|
90
|
1.46
|
50
|
101.79
|
70.37
|
15
|
M27×2
|
|
90
|
2
|
63
|
101.79
|
51.91
|
15
|
M27×2
|
|
100
|
1.46
|
55
|
125.66
|
86.26
|
20
|
M33×2
|
|
100
|
2
|
70
|
125.66
|
64.08
|
20
|
M33×2
|
|
110
|
1.46
|
63
|
152.05
|
102.18
|
20
|
M33×2
|
|
110
|
2
|
80
|
152.05
|
71.63
|
20
|
M33×2
|
|
125
|
1.46
|
70
|
196.35
|
134.77
|
20
|
M33×2
|
|
125
|
2
|
90
|
196.35
|
94.56
|
20
|
M33×2
|
|
140
|
1.46
|
80
|
246.30
|
165.88
|
25
|
M42×2
|
|
140
|
2
|
100
|
246.30
|
120.64
|
25
|
M42×2
|
缸径
D
mm
|
速比
中
|
杆径
d
mm
|
16MPa
|
油口
通径
mm
|
油口
螺纹
|
|
推力KN
|
拉力KN
|
|
150
|
1.46
|
85
|
282.74
|
191.95
|
25
|
M42×2
|
|
150
|
2
|
105
|
282.74
|
144.20
|
25
|
M42×2
|
|
160
|
1.46
|
90
|
321.70
|
219.91
|
25
|
M42×2
|
|
160
|
2
|
110
|
321.70
|
169.65
|
25
|
M42×2
|
|
180
|
1.46
|
100
|
407.15
|
281.49
|
32
|
M48×2
|
|
180
|
2
|
125
|
407.15
|
210.80
|
32
|
M48×2
|
|
200
|
1.46
|
110
|
502.65
|
350.60
|
32
|
M48×2
|
|
200
|
2
|
140
|
502.65
|
256.35
|
32
|
M48×2
|
|
220
|
1.46
|
125
|
608.21
|
411.86
|
32
|
M48×2
|
|
220
|
2
|
160
|
608.21
|
286.51
|
32
|
M48×2
|
|
250
|
1.46
|
140
|
785.40
|
539.10
|
40
|
|
|
250
|
2
|
180
|
785.40
|
378.25
|
40
|
|
|
280
|
1.46
|
160
|
985.20
|
663.50
|
40
|
|
|
280
|
2
|
200
|
985.20
|
482.55
|
40
|
|
|
320
|
1.46
|
180
|
1286.80
|
879.65
|
40
|
|
|
320
|
2
|
220
|
1286.80
|
678.58
|
40
|
|
基本型安装连接外形尺寸Y-HG1-*D/d×**J-*L1*

缸径
D
|
速比
φ
|
杆径
d
|
φKK
|
A
|
M
|
φB
|
φBA
|
φC1
|
φC₂
|
φ1
|
φ2
|
VF
|
WF
|
XF
|
ZJ
|
X
|
L1
|
L2
|
Lo
|
n1-M1
|
n2-M2
|
|
40
|
1.46
|
22
|
M16×1.5
|
22
|
M18×1.5
|
48
|
20
|
42
|
66
|
54
|
80
|
19
|
32
|
69
|
190
|
8
|
26
|
44
|
12
|
8-M6
|
6-M8
|
|
2
|
28
|
M20×1.5
|
28
|
|
50
|
1.46
|
28
|
M20×1.5
|
28
|
M18×1.5
|
55
|
30
|
50
|
75
|
63.5
|
90
|
24
|
38
|
86
|
205
|
8
|
18
|
61
|
12
|
8-M6
|
6-M8
|
|
2
|
35
|
M27×2
|
36
|
|
63
|
1.46
|
35
|
M27×2
|
36
|
M27×2
|
70
|
38
|
60
|
90
|
76
|
108
|
29
|
45
|
79
|
224
|
10
|
25
|
52
|
12
|
8-M8
|
6-M10
|
|
2
|
45
|
M33×2
|
45
|
|
80
|
1.46
|
45
|
M33×2
|
45
|
M27×2
|
86
|
55
|
75
|
112
|
95
|
134
|
36
|
54
|
78
|
250
|
10
|
36
|
58
|
13
|
8-M10
|
6-M12
|
|
2
|
55
|
M42×2
|
56
|
|
90
|
1.46
|
50
|
M42×2
|
56
|
M27×2
|
100
|
55
|
80
|
132
|
108
|
158
|
36
|
55
|
89
|
270
|
10
|
43
|
63
|
17
|
8-M12
|
6-M16
|
|
2
|
63
|
M48×2
|
63
|
|
100
|
1.46
|
55
|
M42×2
|
56
|
M33×2
|
118
|
68
|
95
|
150
|
121
|
175
|
37
|
57
|
95
|
300
|
10
|
47
|
69
|
18
|
8-M12
|
8-M16
|
|
2
|
70
|
M48×2
|
63
|
|
110
|
1.46
|
63
|
M48×2
|
63
|
M33×2
|
132
|
60
|
95
|
165
|
133
|
195
|
37
|
57
|
101
|
310
|
10
|
50
|
73
|
22
|
8-M16
|
8-M16
|
|
2
|
80
|
M48×2
|
63
|
|
125
|
1.46
|
70
|
M48×2
|
63
|
M33×2
|
150
|
80
|
115
|
184
|
152
|
212
|
37
|
60
|
113
|
325
|
10
|
50
|
85
|
22
|
8-M16
|
8-M16
|
|
2
|
90
|
M64×2
|
85
|
|
140
|
1.46
|
80
|
M48×2
|
63
|
M42×2
|
165
|
95
|
132
|
200
|
168
|
230
|
37
|
62
|
109
|
335
|
10
|
53
|
74
|
22
|
8-M16
|
8-M16
|
|
2
|
100
|
M80×3
|
95
|
|
150
|
1.46
|
80
|
M64×2
|
85
|
M42×2
|
175
|
105
|
140
|
215
|
180
|
245
|
41
|
64
|
117
|
350
|
10
|
54
|
85
|
22
|
8-M16
|
8-M16
|
|
2
|
105
|
M80×3
|
95
|
|
160
|
1.46
|
90
|
M64×3
|
85
|
M42×2
|
190
|
110
|
150
|
230
|
194
|
265
|
41
|
66
|
133
|
370
|
10
|
59
|
91
|
26
|
8-M20
|
8-M20
|
|
2
|
110
|
M80×3
|
95
|
|
180
|
1.46
|
100
|
M80×3
|
95
|
M48×2
|
200
|
110
|
160
|
250
|
219
|
280
|
41
|
70
|
147
|
410
|
15
|
65
|
98
|
27
|
8-M20
|
8-M20
|
|
2
|
125
|
M80×3
|
95
|
|
200
|
1.46
|
110
|
M80×3
|
95
|
M48×2
|
215
|
120
|
170
|
280
|
245
|
310
|
45
|
75
|
169
|
450
|
15
|
65
|
115
|
27
|
8-M20
|
8-M20
|
|
2
|
140
|
M100×3
|
112
|
|
220
|
1.46
|
125
|
M100×3
|
112
|
M48×2
|
240
|
140
|
200
|
310
|
273
|
340
|
45
|
80
|
178
|
490
|
20
|
75
|
123
|
36
|
8-M24
|
12-M20
|
|
2
|
160
|
M100×3
|
112
|
|
250
|
1.46
|
140
|
M100×3
|
112
|
φ40
|
280
|
160
|
220
|
340
|
299
|
380
|
64
|
96
|
208
|
550
|
25
|
80
|
145
|
36
|
8-M24
|
12-M24
|
|
2
|
180
|
M125×4
|
125
|
|
280
|
1.46
|
160
|
M125×4
|
125
|
φ40
|
300
|
180
|
240
|
370
|
325
|
410
|
64
|
100
|
236
|
600
|
30
|
80
|
162
|
36
|
8-M24
|
12-M24
|
|
2
|
200
|
M125×4
|
125
|
|
320
|
1.46
|
180
|
M125×4
|
125
|
φ40
|
360
|
200
|
310
|
430
|
377
|
470
|
71
|
108
|
270
|
660
|
35
|
80
|
190
|
36
|
12-M24
|
16-M24
|
|
2
|
220
|
M160×4
|
160
|
注:1.选用液压缸时考虑管道阻力和机构中磨擦损失应将计算力增加10%。
2.D≤220油口用螺纹连接,D≥250油口用对开式法兰连接,表中M尺寸为油口通径。
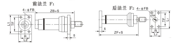
矩形 前/后 法兰F 1/2 安装连接尺寸Y-HG1-*D/dx * *F1/2 -*L1*
|
D
|
40
|
50
|
63
|
80
|
90
|
100
|
110
|
125
|
|
δ
|
16
|
20
|
25
|
32
|
32
|
32
|
32
|
32
|
|
φFB
|
9
|
11
|
13.5
|
17.5
|
22
|
22
|
22
|
22
|
|
TF
|
98
|
116.4
|
134
|
152.5
|
168
|
184.8
|
200
|
217.1
|
|
R
|
F1
|
40.6
|
48.2
|
55.5
|
63.1
|
120
|
120
|
140
|
150
|
|
F2
|
70
|
76.5
|
83
|
90.2
|
|
L1
|
F1
|
120
|
140
|
165
|
190
|
210
|
230
|
245
|
260
|
|
F2
|
164
|
200
|
|
L2
|
F1
|
86
|
95
|
115
|
140
|
170
|
185
|
205
|
225
|
|
F2
|
65
|
75
|
85
|
100
|
115
|
120
|
130
|
155
|
|
ZB
|
198
|
213
|
234
|
260
|
280
|
310
|
320
|
335
|
|
ZF
|
206
|
225
|
249
|
282
|
302
|
332
|
342
|
357
|
圆形 前/后 法兰F 3/4 Y-HG1-*D/dx * *F3/4 -*L1*
|
D
|
40
|
50
|
63
|
80
|
90
|
100
|
110
|
125
|
140
|
150
|
160
|
180
|
200
|
220
|
250
|
280
|
320
|
|
δ
|
16
|
20
|
25
|
32
|
32
|
32
|
32
|
32
|
32
|
36
|
36
|
36
|
40
|
40
|
60
|
60
|
63
|
|
φFB
|
9
|
11
|
13.5
|
17.5
|
22
|
22
|
22
|
22
|
22
|
22
|
22
|
26
|
26
|
33
|
33
|
39
|
39
|
|
D1
|
F3
|
126
|
150
|
175
|
200
|
240
|
255
|
275
|
295
|
310
|
325
|
345
|
375
|
405
|
445
|
485
|
525
|
595
|
|
F4
|
126
|
150
|
175
|
200
|
228
|
245
|
260
|
280
|
300
|
310
|
325
|
360
|
390
|
435
|
475
|
525
|
585
|
|
φFC
|
F3
|
106
|
126
|
145
|
165
|
195
|
210
|
230
|
250
|
265
|
280
|
300
|
325
|
355
|
390
|
430
|
470
|
530
|
|
F4
|
106
|
126
|
145
|
165
|
185
|
200
|
215
|
235
|
255
|
265
|
280
|
310
|
340
|
380
|
420
|
470
|
520
|
|
ZB
|
198
|
213
|
234
|
260
|
280
|
310
|
320
|
335
|
345
|
360
|
380
|
425
|
465
|
510
|
575
|
630
|
695
|
|
ZF
|
206
|
225
|
249
|
282
|
302
|
332
|
342
|
357
|
370
|
386
|
406
|
450
|
490
|
535
|
606
|
660
|
723
|
方形 前/后 法兰F 5/6 安装连接尺寸 Y-HG1- ED/dx * *F5/6 -*L1*

|
D
|
40
|
50
|
63
|
80
|
90
|
100
|
110
|
125
|
|
δ
|
16
|
20
|
25
|
32
|
32
|
32
|
32
|
32
|
|
φFB
|
9
|
11
|
13.5
|
17.5
|
22
|
22
|
22
|
22
|
|
S1
|
F5
|
95
|
115
|
132
|
155
|
170
|
190
|
215
|
224
|
|
F6
|
65
|
80
|
95
|
110
|
120
|
135
|
145
|
160
|
|
S2
|
F5
|
115
|
140
|
160
|
190
|
210
|
230
|
255
|
265
|
|
F6
|
90
|
110
|
130
|
150
|
165
|
180
|
190
|
205
|
|
ZB
|
198
|
213
|
234
|
260
|
280
|
310
|
320
|
335
|
|
ZF
|
206
|
225
|
249
|
282
|
302
|
332
|
342
|
357
|
|
φBA
|
20
|
30
|
38
|
55
|
55
|
68
|
60
|
80
|
尾部单耳环安装连接尺寸Y-HG1- *D/d×** E1/2-2*L1*
头部Z1、中间Z2、尾部Z3轴销安装连接尺寸
Y-HG1-*D/d×* *Z *L1 1/2/3*
中间轴销I尺寸与行程S关系的选用
|
D
|
I
|
|
40
|
135
|
|
50
|
160
|
|
63
|
165
|
|
80
|
180
|
|
90
|
195
|
|
100
|
220
|
|
110
|
230
|
|
125
|
245
|
|
140
|
250
|
|
D
|
I
|
|
150
|
265
|
|
160
|
285
|
|
180
|
315
|
|
200
|
350
|
|
220
|
370
|
|
250
|
430
|
|
280
|
470
|
|
320
|
525
|
|
D
|
40
|
50
|
63
|
80
|
90
|
100
|
110
|
125
|
140
|
150
|
160
|
180
|
200
|
220
|
250
|
280
|
320
|
|
尾部单耳环
|
φCD
|
20
|
25
|
30
|
40
|
45
|
50
|
50
|
60
|
70
|
70
|
80
|
90
|
100
|
110
|
120
|
140
|
160
|
|
MR
|
27
|
32
|
38
|
47.5
|
54
|
60.5
|
66.7
|
76
|
84
|
90
|
97
|
109.5
|
122.5
|
136.5
|
149.5
|
162.5
|
188.5
|
|
LT
|
25
|
32
|
40
|
50
|
58
|
63
|
67
|
71
|
78
|
84
|
90
|
100
|
112
|
140
|
160
|
175
|
200
|
|
XC
|
231
|
257
|
289
|
332
|
360
|
395
|
405
|
425
|
445
|
475
|
505
|
550
|
615
|
670
|
773
|
84
|
930
|
|
b
|
18
|
22
|
26
|
30
|
35
|
38
|
38
|
50
|
58
|
58
|
62
|
68
|
72
|
72
|
88
|
90
|
92
|
|
轴 销
|
δ
|
25
|
30
|
36
|
45
|
50
|
55
|
60
|
-
|
75
|
80
|
85
|
95
|
105
|
115
|
130
|
145
|
165
|
|
T
|
122
|
145
|
170
|
199
|
217
|
240
|
265
|
295
|
320
|
345
|
366
|
405
|
455
|
510
|
570
|
640
|
720
|
|
TL
|
16
|
20
|
25
|
32
|
36
|
40
|
45
|
50
|
55
|
60
|
63
|
70
|
80
|
90
|
100
|
110
|
125
|
|
TC
|
90
|
105
|
120
|
135
|
145
|
160
|
175
|
195
|
210
|
225
|
240
|
265
|
295
|
330
|
370
|
420
|
470
|
|
φTD
|
20
|
25
|
32
|
40
|
45
|
50
|
55
|
63
|
70
|
75
|
80
|
90
|
100
|
110
|
125
|
140
|
160
|
|
Z1
|
XG
|
19.5
|
23
|
27
|
31.5
|
30
|
29.5
|
一
|
一
|
一
|
一
|
一
|
一
|
一
|
一
|
一
|
一
|
一
|
|
φB
|
48
|
55
|
70
|
86
|
100
|
118
|
一
|
一
|
一
|
一
|
-
|
一
|
一
|
一
|
一
|
一
|
一
|
|
Z2
|
I
|
见上表
|
|
Z3
|
XJ
|
202.5
|
220
|
242
|
272.5
|
295
|
327.5
|
340
|
350
|
372.5
|
390
|
412.5
|
457.5
|
502.5
|
547.5
|
615
|
672.5
|
742.5
|
|
φBA
|
20
|
30
|
38
|
55
|
55
|
68
|
60
|
80
|
95
|
105
|
110
|
110
|
120
|
140
|
160
|
180
|
200
|
注:头部轴销安装为缸径40-100。
缸径
D
|
轴 向 底 座 J 1
|
单耳环活塞杆连接件
|
|
L
|
L1
|
H
|
h1
|
h2
|
R
|
R1
|
φFB
|
杆径
d
|
φCD
|
d1
|
b1
|
b2
|
b3
|
L
|
L1
|
L2
|
L3
|
R
|
|
40
|
268
|
228
|
60
|
18
|
100
|
45
|
80
|
13.5
|
22
|
20
|
M16×1.5
|
18
|
26
|
36
|
23
|
34
|
60
|
88
|
25
|
|
28
|
M20×1.5
|
30
|
40
|
29
|
40
|
665
|
98
|
30
|
50
|
287
|
247
|
70
|
22
|
115
|
55
|
90
|
13.5
|
28
|
25
|
M20×1.5
|
22
|
30
|
40
|
29
|
40
|
72
|
105
|
30
|
|
35
|
M27×2
|
37
|
47
|
37
|
48
|
80
|
118
|
35
|
|
63
|
329
|
279
|
85
|
28
|
140
|
70
|
110
|
17.5
|
35
|
30
|
M27×2
|
26
|
37
|
47
|
37
|
48
|
80
|
118
|
35
|
|
45
|
M33×2
|
45
|
63
|
46
|
60
|
100
|
150
|
45
|
|
80
|
366
|
316
|
105
|
35
|
172
|
90
|
134
|
17.5
|
45
|
40
|
M33×2
|
30
|
45
|
63
|
46
|
60
|
110
|
160
|
45
|
|
55
|
M42×2
|
56
|
72
|
57
|
70
|
120
|
182.5
|
57.5
|
|
90
|
405
|
345
|
116
|
35
|
195
|
100
|
158
|
22
|
50
|
45
|
M42×2
|
35
|
56
|
66
|
57
|
70
|
128
|
181
|
50
|
|
63
|
M48×2
|
70
|
75
|
64
|
80
|
136
|
201
|
60
|
100
|
433
|
373
|
125
|
35
|
213
|
125
|
175
|
22
|
55
|
50
|
M42×2
|
38
|
56
|
72
|
57
|
70
|
133
|
195.5
|
57.5
|
|
70
|
M48×2
|
70
|
78
|
64
|
80
|
143
|
213
|
65
|
110
|
443
|
383
|
135
|
35
|
233
|
145
|
195
|
22
|
63
|
50
|
M48×2
|
38
|
70
|
75
|
64
|
80
|
147
|
212
|
60
|
|
80
|
M48×2
|
70
|
94
|
64
|
80
|
147
|
229
|
75
|
|
125
|
485
|
415
|
150
|
35
|
256
|
155
|
212
|
26
|
70
|
60
|
M48×2
|
50
|
70
|
78
|
64
|
80
|
151
|
221
|
65
|
|
90
|
M64×3
|
90
|
104
|
87
|
105
|
176
|
271
|
85
|
|
140
|
503
|
433
|
155
|
40
|
270
|
170
|
230
|
26
|
80
|
70
|
M48×2
|
58
|
70
|
94
|
64
|
80
|
158
|
240
|
75
|
|
100
|
M80×3
|
110
|
122
|
97
|
117
|
195
|
300
|
95
|
150
|
516
|
446
|
165
|
40
|
290
|
185
|
245
|
26
|
80
|
70
|
M64×3
|
58
|
90
|
98
|
87
|
105
|
190
|
277
|
80
|
|
105
|
M80×3
|
110
|
116
|
97
|
117
|
200
|
287
|
80
|
|
160
|
564
|
484
|
175
|
40
|
305
|
190
|
260
|
33
|
90
|
80
|
M64×3
|
62
|
90
|
104
|
87
|
105
|
195
|
290
|
85
|
|
110
|
M80×3
|
110
|
130
|
97
|
117
|
207
|
327
|
110
|
|
180
|
610
|
530
|
190
|
45
|
330
|
200
|
280
|
33
|
100
|
90
|
M80×3
|
68
|
110
|
122
|
97
|
117
|
220
|
325
|
95
|
|
125
|
M80×3
|
110
|
140
|
97
|
117
|
220
|
350
|
120
|
|
200
|
645
|
565
|
205
|
45
|
360
|
220
|
310
|
33
|
110
|
100
|
M80×3
|
72
|
110
|
130
|
97
|
117
|
230
|
350
|
110
|
|
140
|
M100×3
|
140
|
160
|
114
|
140
|
252
|
392
|
130
|
|
220
|
710
|
620
|
225
|
50
|
395
|
250
|
340
|
39
|
125
|
110
|
M100×3
|
72
|
140
|
160
|
114
|
140
|
280
|
410
|
120
|
|
160
|
M100×3
|
140
|
160
|
114
|
140
|
280
|
440
|
130
|
|
250
|
774
|
684
|
255
|
60
|
445
|
300
|
380
|
39
|
140
|
120
|
M100×3
|
88
|
140
|
160
|
114
|
140
|
300
|
440
|
130
|
|
180
|
M125×4
|
165
|
185
|
127
|
170
|
330
|
510
|
170
|
|
280
|
850
|
750
|
275
|
65
|
480
|
320
|
410
|
45
|
160
|
140
|
M125×4
|
95
|
165
|
185
|
127
|
170
|
345
|
505
|
150
|
|
200
|
M125×4
|
165
|
200
|
127
|
170
|
345
|
505
|
150
|
|
320
|
952
|
832
|
310
|
70
|
545
|
370
|
470
|
52
|
180
|
160
|
M125×4
|
105
|
165
|
185
|
127
|
170
|
370
|
505
|
170
|
|
220
|
M160×4
|
220
|
220
|
162
|
210
|
410
|
590
|
170
|
|